Operation Explanation
User Manual for Small Flake Ice Machines: Complete Guide to Installation, Operation & Maintenance
User Manual for Small Flake Ice Machines: Complete Guide to Installation, Operation & Maintenance
Introduction
Small flake ice machines are ideal for restaurants, seafood processing, laboratories, and other applications, offering high efficiency, energy savings, and user-friendly operation. To ensure long-term stable performance, carefully follow this guide covering installation, daily operation, maintenance, and troubleshooting.
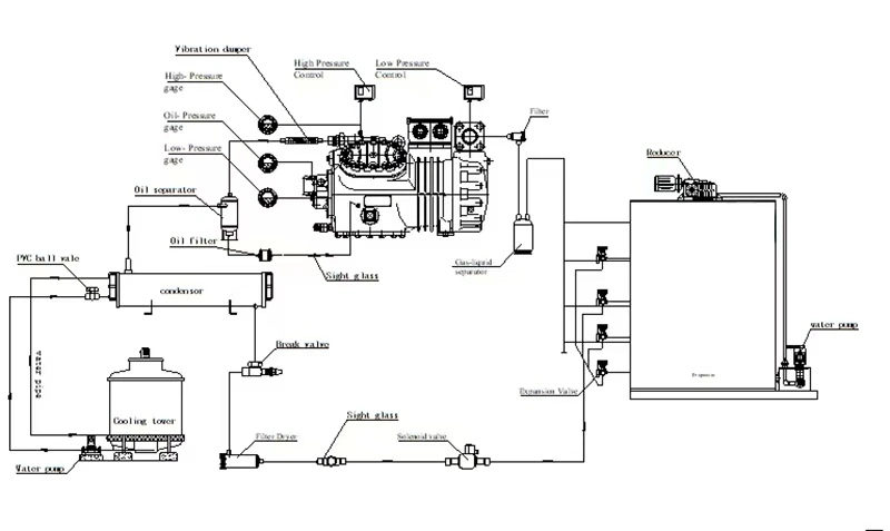
1. Installation Guide for Small Flake Ice Machines
1.1 Environmental Requirements
Temperature range: 5°C–45°C; avoid high-temperature or humid environments.
Power supply:
220V/50Hz (0.3TN model) or 380V/50Hz (other models), with voltage fluctuations within ±10%.
Reliable grounding is mandatory for safety.
Water supply: Pressure 0.15–0.5MPa, temperature 5–35°C; install a filter to prevent clogging.
1.2 Installation Steps
Positioning & Leveling: Place the machine on a level surface, aligning the ice outlet with the storage bin (deviation ≤2mm).
Water Connections:
Connect the water inlet to the supply line (1.5m hose included).
Ensure the drain outlet has a ≥4cm drop for smooth drainage.
Electrical Wiring: Follow the nameplate specifications. If the control panel shows a "system fault," swap any two live wires to correct phase sequence.

2. Operating Procedures
2.1 Startup & Operation
Pre-Start Checks:
Confirm the water tank is filled and compressor oil level is at 1/2–3/4 of the sight glass.
Turn on the main power switch; the green indicator light should illuminate.
Ice Production:
Press the "Start" button to activate the pump, gearbox, and compressor sequentially.
First ice: Produced in ~3 minutes; stable output within 10 minutes.
2.2 Brine Addition (Critical Step)
Purpose: Improves ice quality, reduces blade noise, and extends machine life.
Formula:

Operation: Adjust the brine pump knob to ≤"10" and ensure the brine tank is <2m above the pump.
3. Maintenance & Care
3.1 Daily Maintenance
Cleaning: Wipe the water distribution tray and tank interior daily to prevent scaling.
Inspections:
Check the dryer filter for frost (replace if clogged).
Monitor compressor oil level/quality (replace if cloudy or emulsified).
3.2 Scheduled Maintenance
4. Troubleshooting Common Issues
Conclusion
Proper use and maintenance ensure optimal performance and longevity.
Operation & Maintenance Operation & Maintenance
User Manual for Small Flake Ice Machines: Complete Guide to Installation, Operation & Maintenance
User Manual for Small Flake Ice Machines: Complete Guide to Installation, Operation & Maintenance
User Manual for Small Flake Ice Machines: Complete Guide to Installation, Operation & Maintenance
0users like this.



